熱軋H型鋼標準和牌號:
| 標準 | 牌號 | 長度 |
|---|---|---|
| JIS G3101 ASTM A6 GB/T 11263-2005 EN 10034,EN 1025 | SS400, Q355B, Q355C, Q355D, GR36, GR50, S235JR, S275JR, S335JR, etc. | 6m-12m |
*其他標準和牌號均有貨,歡迎垂詢!
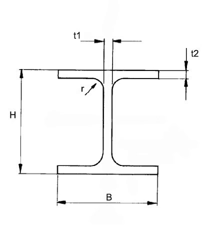
Q355D低溫H型鋼產品規格:

國標:
| 類別 | 型號 | 截面尺寸(mm) | 理論重量 (kg/m) | 類別 | 型號 | 截面尺寸(mm) | 理論重量 (kg/m) | ||||||
|---|---|---|---|---|---|---|---|---|---|---|---|---|---|
| H×W | H×B | t1 | t2 | r | H×W | H×B | t1 | t2 | r | ||||
| HW | 100×100 | 100×100 | 6 | 8 | 8 | 16.9 | HN | 500×200 | 500×200 | 10 | 16 | 13 | 88.1 |
| 125×125 | 125×125 | 6.5 | 9 | 8 | 23.6 | 506×201 | 11 | 19 | 13 | 102 | |||
| 150×150 | 150×150 | 7 | 10 | 8 | 31.1 | 550×200 | 546×199 | 9 | 14 | 13 | 81.5 | ||
| 175×175 | 175×175 | 7.5 | 11 | 13 | 40.4 | 550×200 | 10 | 16 | 13 | 92 | |||
| 200×200 | 200×200 | 8 | 12 | 13 | 49.9 | 600×200 | 596×199 | 10 | 15 | 13 | 92.4 | ||
| 200×204 | 12 | 12 | 13 | 56.2 | 600×200 | 11 | 17 | 13 | 103 | ||||
| 250×250 | 244×252 | 11 | 11 | 13 | 63.8 | 606×201 | 12 | 20 | 13 | 118 | |||
| 250×250 | 9 | 14 | 13 | 71.8 | 625×200 | 625×198.5 | 11.5 | 17.5 | 13 | 109 | |||
| 250×255 | 14 | 14 | 13 | 81.6 | 630×200 | 13 | 20 | 13 | 124 | ||||
| 300×300 | 294×302 | 12 | 12 | 13 | 83.5 | 638×202 | 15 | 24 | 13 | 147 | |||
| 300×300 | 10 | 15 | 13 | 93 | 650×300 | 646×299 | 10 | 15 | 13 | 120 | |||
| 300×305 | 15 | 15 | 13 | 105 | 650×300 | 11 | 17 | 13 | 134 | ||||
| 350×350 | 338×351 | 13 | 13 | 13 | 105 | 656×301 | 12 | 20 | 13 | 154 | |||
| 344×348 | 10 | 16 | 13 | 113 | 700×300 | 692×300 | 13 | 20 | 18 | 163 | |||
| 344×354 | 16 | 16 | 13 | 129 | 700×300 | 13 | 24 | 18 | 182 | ||||
| 350×350 | 12 | 19 | 13 | 135 | 750×300 | 734×299 | 12 | 16 | 18 | 143 | |||
| 350×357 | 19 | 19 | 13 | 154 | 742×300 | 13 | 20 | 18 | 168 | ||||
| 400×400 | 388×402 | 15 | 15 | 22 | 140 | 750×300 | 13 | 24 | 18 | 187 | |||
| 394×398 | 11 | 18 | 22 | 147 | 758×303 | 16 | 28 | 18 | 224 | ||||
| 394×405 | 18 | 18 | 22 | 168 | 800×300 | 792×300 | 14 | 22 | 18 | 188 | |||
| 400×400 | 13 | 21 | 22 | 172 | 800×300 | 14 | 26 | 18 | 207 | ||||
| 400×408 | 21 | 21 | 22 | 197 | 850×300 | 834×298 | 14 | 19 | 18 | 179 | |||
| 414×405 | 18 | 28 | 22 | 232 | 842×299 | 15 | 23 | 18 | 204 | ||||
| 428×407 | 20 | 35 | 22 | 283 | 850×300 | 16 | 27 | 18 | 229 | ||||
| 458×417 | 30 | 50 | 22 | 415 | 858×301 | 17 | 31 | 18 | 255 | ||||
| 498×432 | 45 | 70 | 22 | 604 | 900×300 | 890×299 | 15 | 23 | 18 | 210 | |||
| 500×500 | 492×465 | 15 | 20 | 22 | 202 | 900×300 | 16 | 28 | 18 | 240 | |||
| 502×465 | 15 | 25 | 22 | 239 | 912×302 | 18 | 34 | 18 | 283 | ||||
| 502×470 | 20 | 25 | 22 | 259 | 1000×300 | 970×297 | 16 | 21 | 18 | 217 | |||
| HM | 150×100 | 148×100 | 6 | 9 | 8 | 20.7 | 980×298 | 17 | 26 | 18 | 248 | ||
| 200×150 | 194×150 | 6 | 9 | 8 | 29.9 | 990×298 | 17 | 31 | 18 | 271 | |||
| 250×175 | 244×175 | 7 | 11 | 13 | 43.6 | 1000×300 | 19 | 36 | 18 | 310 | |||
| 300×200 | 294×200 | 8 | 12 | 13 | 55.8 | 1008×302 | 21 | 40 | 18 | 345 | |||
| 298×201 | 9 | 14 | 13 | 64.4 | HT | 100×50 | 95×48 | 3.2 | 4.5 | 8 | 5.98 | ||
| 350×250 | 340×250 | 9 | 14 | 13 | 78.1 | 97×49 | 4 | 5.5 | 8 | 7.36 | |||
| 400×300 | 390×300 | 10 | 16 | 13 | 105 | 100×100 | 96×99 | 4.5 | 6 | 8 | 12.7 | ||
| 450×300 | 440×300 | 11 | 18 | 13 | 121 | 125×60 | 118×58 | 3.2 | 4.5 | 8 | 7.26 | ||
| 500×300 | 482×300 | 11 | 15 | 13 | 111 | 120×59 | 4 | 5.5 | 8 | 8.94 | |||
| 488×300 | 11 | 18 | 13 | 125 | 125×125 | 119×123 | 4.5 | 6 | 8 | 15.8 | |||
| 550×300 | 544×300 | 11 | 15 | 13 | 116 | 150×75 | 145×73 | 3.2 | 4.5 | 8 | 9 | ||
| 550×300 | 11 | 18 | 13 | 130 | 147×74 | 4 | 5.5 | 8 | 11.1 | ||||
| 600×300 | 582×300 | 12 | 17 | 13 | 133 | 150×100 | 139×97 | 3.2 | 4.5 | 8 | 10.6 | ||
| 588×300 | 12 | 20 | 13 | 147 | 142×99 | 4.5 | 6 | 8 | 14.3 | ||||
| 594×302 | 14 | 23 | 13 | 170 | 150×150 | 144×148 | 5 | 7 | 8 | 21.8 | |||
| HN | 100×50 | 100×50 | 5 | 7 | 8 | 9.3 | 147×149 | 6 | 8.5 | 8 | 26.4 | ||
| 125×60 | 125×60 | 6 | 8 | 8 | 13.1 | 175×90 | 168×88 | 3.2 | 4.5 | 8 | 10.6 | ||
| 150×75 | 150×75 | 5 | 7 | 8 | 14 | 171×89 | 4 | 6 | 8 | 13.8 | |||
| 175×90 | 175×90 | 5 | 8 | 8 | 18 | 175×175 | 167×173 | 5 | 7 | 13 | 26.2 | ||
| 200×100 | 198×99 | 4.5 | 7 | 8 | 17.8 | 172×175 | 6.5 | 9.5 | 13 | 35 | |||
| 200×100 | 5.5 | 8 | 8 | 20.9 | 200×100 | 193×98 | 3.2 | 4.5 | 8 | 12 | |||
| 250×125 | 248×124 | 5 | 8 | 8 | 25.1 | 196×99 | 4 | 6 | 8 | 15.5 | |||
| 250×125 | 6 | 9 | 8 | 29 | 200×150 | 188×149 | 4.5 | 6 | 8 | 20.7 | |||
| 300×150 | 298×149 | 5.5 | 8 | 13 | 32 | 200×200 | 192×198 | 6 | 8 | 13 | 34.3 | ||
| 300×150 | 6.5 | 9 | 13 | 36.7 | 250×125 | 244×124 | 4.5 | 6 | 8 | 20.3 | |||
| 350×175 | 346×174 | 6 | 9 | 13 | 41.2 | 250×175 | 238×173 | 4.5 | 8 | 13 | 30.7 | ||
| 350×175 | 7 | 11 | 13 | 49.4 | 300×150 | 294×148 | 4.5 | 6 | 13 | 25 | |||
| 400×150 | 400×150 | 8 | 13 | 13 | 55.2 | 300×200 | 286×198 | 6 | 8 | 13 | 38.7 | ||
| 400×200 | 396×199 | 7 | 11 | 13 | 56.1 | 350×175 | 340×173 | 4.5 | 6 | 13 | 29 | ||
| 400×200 | 8 | 13 | 13 | 65.4 | 400×150 | 390×148 | 6 | 8 | 13 | 37.3 | |||
| 450×150 | 446×150 | 7 | 12 | 13 | 52.6 | 400×200 | 390×198 | 6 | 8 | 13 | 43.6 | ||
| 450×151 | 8 | 14 | 13 | 60.8 | HP | 200×200 | 200×200 | 8 | 12 | 13 | 49.9 | ||
| 450×200 | 446×199 | 8 | 12 | 13 | 65.1 | 250×250 | 250×250 | 9 | 14 | 13 | 71.8 | ||
| 450×200 | 9 | 14 | 13 | 74.9 | 300×300 | 300×300 | 10 | 15 | 13 | 93 | |||
| 475×150 | 470×150 | 7 | 13 | 13 | 56.2 | 350×350 | 344×348 | 10 | 16 | 13 | 113 | ||
| 475×151.5 | 8.5 | 15.5 | 13 | 67.6 | 350×350 | 12 | 19 | 13 | 135 | ||||
| 482×153.5 | 10.5 | 19 | 13 | 83.5 | 400×400 | 400×400 | 13 | 21 | 22 | 172 | |||
| 500×150 | 492×150 | 7 | 12 | 13 | 55.1 | 400×408 | 21 | 21 | 22 | 197 | |||
| 500×152 | 9 | 16 | 13 | 72.4 | 414×405 | 18 | 28 | 22 | 232 | ||||
| 504×153 | 10 | 18 | 13 | 81.1 | 428×407 | 20 | 35 | 22 | 283 | ||||
| 500×200 | 496×199 | 9 | 14 | 13 | 77.9 | 458×417 | 30 | 50 | 22 | 415 | |||


